Jumbocad
sourceforge.net/projects/jumbocadDiscontinued Global Jumbocad v2024
Introduction
Jumbocad is an open-source PCB design tool providing basic schematic and layout functionality.
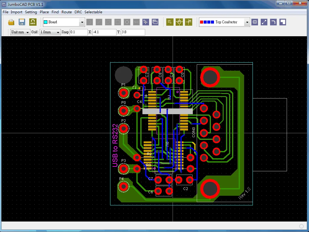
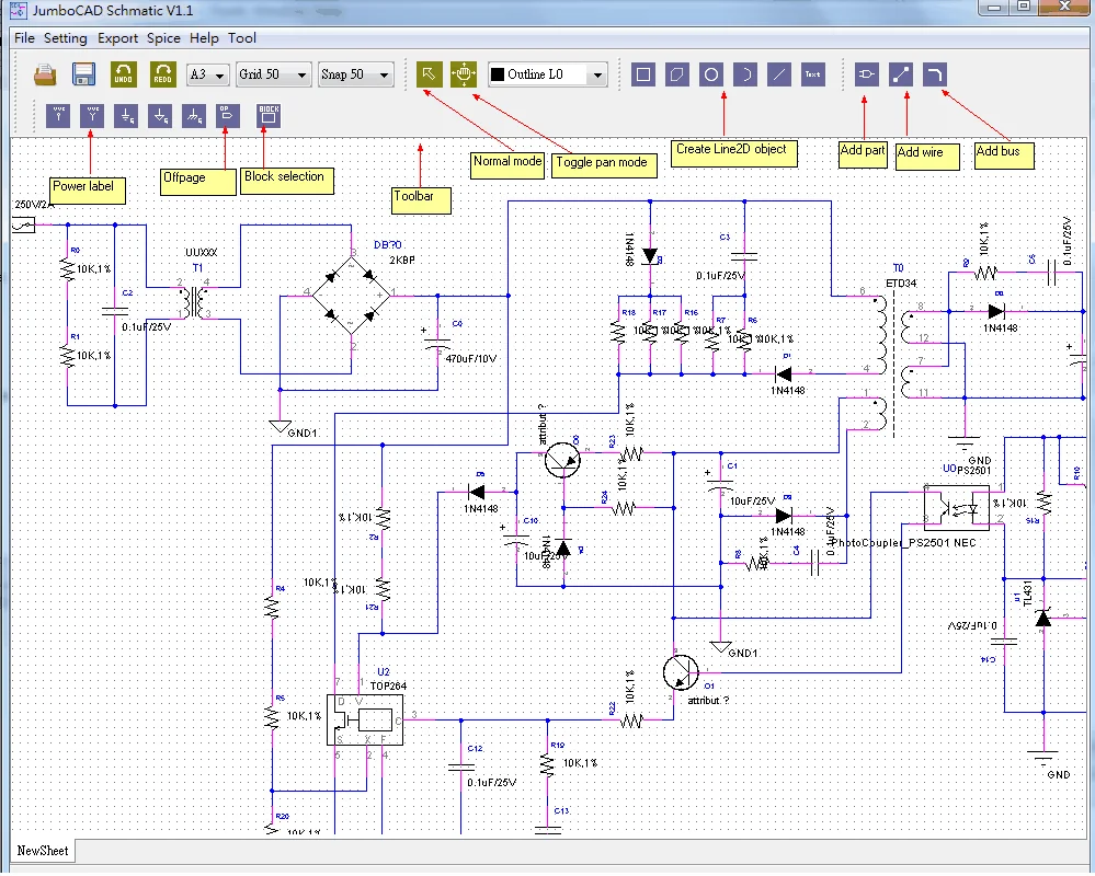
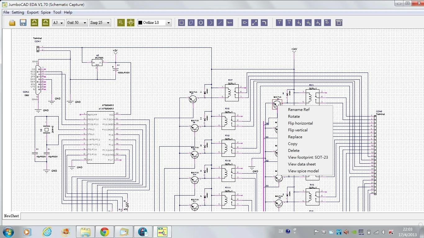
Screenshots





Features
- Schematic
- PCB
- Auto-routing
Jumbocad is an open-source PCB design tool providing basic schematic and layout functionality.




