P-CAD
www.protel.comIntroduction
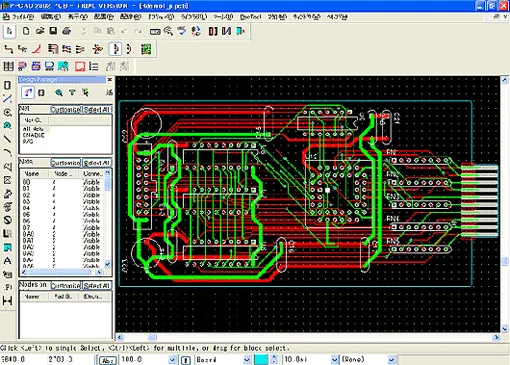
P-CAD is a professional PCB design software developed by Protel Technology, known for its powerful layout, routing, and design rule checking capabilities. The tool provides complete schematic capture, PCB layout, auto-routing, and design verification functions, supporting multi-layer board design and high-speed circuit design. Core features include: intelligent auto-router, real-time design rule checking (DRC), extensive library management, 3D visualization preview, and support for multiple netlist formats (Protel, OrCAD, Allegro, etc.). P-CAD was widely used in industrial control and communication equipment design fields. The tool is currently discontinued, with its technology and user base inherited by Altium Designer, and some features integrated into Altium products.
Screenshots









Features
- Intelligent auto-router
- Real-time design rule checking (DRC)
- Multi-layer board design support
- High-speed circuit design features
- 3D visualization preview
- Multiple netlist format exchange